Мы используем cookie для наилучшего представления нашего сайта. Подробнее об этом в Политике конфиденциальности.
Ок

Тюмень

Ваш город:
Тюмень (Тюменская область)?
Нет
Да
Каталог
Каталог Написать в WhatsApp
Мотоэкипировка

Компоненты зажигания 4-Х ТАКТНОГО ПЛМ MERCURY 8 Серийный номер от 0P325500 и выше

Компоненты зажигания 4-Х ТАКТНОГО ПЛМ MERCURY 8 Серийный номер от 0P325500 и выше в Тюмени: актуальный каталог, цены, фото, описание. Купите компоненты зажигания 4-х тактного плм mercury 8 серийный номер от 0p325500 и выше в кредит – оформите заявку онлайн за 1 минуту!

Оригинальные запчасти

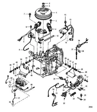
Артикул НАИМЕНОВАНИЕ Кол-во деталей в узле Примечание Наличие Цена Аналоги Фото
1 803577T01 FLYWHEEL

Под заказ

1

Под заказ

уточнить

Купить
2 803577T05 FLYWHEEL

Под заказ

1

Под заказ

уточнить

Купить
3 16071 NUT, FLYWHEEL

Под заказ

1

Под заказ

уточнить

Купить
4 16072 WASHER, FLYWHEEL

Под заказ

1

Под заказ

уточнить

Купить
5 803844T01 Катушка (COIL, Ignition)

Под заказ

1

Под заказ

уточнить

Купить
6 879194264 Болт (BOLT)

Под заказ

2

Под заказ

уточнить

Купить
7 855944T01 Катушка генератора перемен тока(COIL, Alternator)

Под заказ

1

Под заказ

уточнить

Купить
8 16066004 SENSOR, Crank Position

Под заказ

1

Под заказ

уточнить

Купить
9 8M0051381 Болт (SCREW)

Под заказ

2

Под заказ

уточнить

Купить
10 8M0130961 CLAMP

Под заказ

1

Под заказ

уточнить

Купить
11 895108001 PROTECTIVE SLEEVE

Под заказ

1

Под заказ

уточнить

Купить
12 803559A02 Катушка зажигания (COIL ASSEMBLY, Ignition)

Под заказ

1

Под заказ

уточнить

Купить
13 803560001 Надсвечник (BOOT)

Под заказ

2

Под заказ

уточнить

Купить
14 823042 Болт (BOLT)

Под заказ

2

Под заказ

уточнить

Купить
15 835401T02 *Блок управления (CD UNIT)

Под заказ

1

Под заказ

уточнить

Купить
16 803509014 BOLT

Под заказ

2

Под заказ

уточнить

Купить
17 895121A01 HARNESS ASSEMBLY, CD

Под заказ

1

Под заказ

уточнить

Купить
18 8M0106928 GROMMET

Под заказ

1

Под заказ

уточнить

Купить
19 8230427 BOLT, (M6 x 12)

Под заказ

1

Под заказ

уточнить

Купить
20 879705003 SLEEVE

Под заказ

1

Под заказ

уточнить

Купить
21 803563005 CLAMP

Под заказ

1

Под заказ

уточнить

Купить
22 803538 Выключатель датчика давления масла (SWITCH)

Под заказ

1

Под заказ

уточнить

Купить
23 835403005 BRACKET

Под заказ

1

Под заказ

уточнить

Купить
24 4000330 Болт (SCREW @5)

Под заказ

3

Под заказ

уточнить

Купить
25 953923 WASHER (RUBBER)

Под заказ

3

Под заказ

уточнить

Купить
26 851815005 GROMMET

Под заказ

3

Под заказ

уточнить

Купить
27 952868 COLLAR

Под заказ

3

Под заказ

уточнить

Купить
28 895122A01 CABLE

Под заказ

1

Под заказ

уточнить

Купить
29 804057001 Сигнальная лампа низкого уровня масла

Под заказ

1

Под заказ

уточнить

Купить
30 804057002 Светодиод (PILOT LAMP)

Под заказ

1

Под заказ

уточнить

Купить
31 892395A01 Выключатель аварийный (SWITCH-STOP)

Под заказ

1

Под заказ

уточнить

Купить
32 8M0092849 Стропка (LANYARD ASY @2)

Под заказ

1

Под заказ

уточнить

Купить
33 8M0032846 Держатель латунный (RETAINER)

Под заказ

1

Под заказ

уточнить

Купить
34 835403003 BRACKET

Под заказ

1

Под заказ

уточнить

Купить
35 879194249 Болт (BOLT)

Под заказ

3

Под заказ

уточнить

Купить
36 851839T02 SOLENOID SWITCH, Power Tilt

Под заказ

1

Под заказ

уточнить

Купить
37 167051 Болт (BOLT)

Под заказ

2

Под заказ

уточнить

Купить
38 400212 Гайка (NUT)

Под заказ

2

Под заказ

уточнить

Купить
39 853815004 LEAD WIRE

Под заказ

1

Под заказ

уточнить

Купить
40 8537407 CABLE

Под заказ

1

Под заказ

уточнить

Купить
41 8537408 CABLE, Black

Под заказ

1

Под заказ

уточнить

Купить
42 853816004 BOOT, Red

Под заказ

3

Под заказ

уточнить

Купить

Нулевая цена не означает отсутствие товара. Оформите заказ, и менеджер сообщит вам цену и наличие товара, предварительно запросив их у поставщика

Главная Магазины
Корзина0
Профиль